
With power consumption estimated at 1MW per rack, the front-end of the data centre will need to receive three-phase grid power at ~14kV or ~35kV.
Eschewing a multi-tonne grid-frequency transformer to produce three-phase 480Vac for onward conversion, Navitas has chosen to directly consume 34.5 or 13.8kV in a silicon carbide based single-stage ac-dc converter with an 800Vdc output.

The concept relies on the use of isolated ac-to-dc converters, with their inputs connected in series to stand-off the high input voltage, and their outputs connected in parallel to deliver 800V at high current.
Three series strings of identical modules are used to match the three input phases, with the dc outputs from all three phases also connected in parallel.
800V will be distributed across the data centre, and up though each rack to shelf-level dc-dc converters that feed ~50V, 12.5V, or even 6.25V to the processor boards, where point-of-load converters will provide the necessary chip voltages.
Navitas has also proposed a converter topology for the 800V down-conversion step, picking GaN hemts as the switching devices and some form of LLC dc-dc – which is the same pairing selected by TI, Power Integrations and EPC for their AI factory PSU contributions.

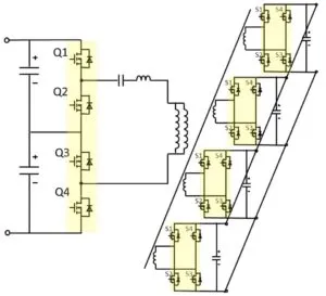
In a 10kW 800-to-50V demonstrator, the company used a a three-level half-bridge front-end to suite its 650V GaN transitors, an 8:1:1:1:1 transformer, and full-bridges with 100V GaN transistors for synchronous rectification (diagram left).
“Using multiple transformers can help avoid termination losses, albeit at the expense of a larger footprint. However, using multiple transformers introduces larger core losses and a larger magnetic size,” according to Navitas. “Matrix transformers can mitigate these losses by ensuring flux cancellation between cores – a matrix transformer combines individual transformers such that primary-side windings are connected in series/parallel while secondary-side windings are connected in parallel/series.”
Find Navitas’ 800V data centre power proposals here
